Domů Nábytek Koupelna Vodovodní baterie DURAVIT - Příslušenství Montážní těleso pro baterie pod omítku GK0900000000

DURAVIT - Příslušenství Montážní těleso pro baterie pod omítku GK0900000000

Dostupnost do měsíce
Výrobce DURAVIT
EAN 4053424467634
3 989 Kč
Do obchodu
Svet-koupelny.cz

Popis produktu

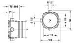
Základní montážní podomítkové těleso Bluebox 1/2" skrytá instalace instalační hloubka 75 - 105 mm bez uzavírací klapky připojení G 1/2" bez vrchní sady vanové/sprchové baterie