Domů Nábytek Koupelna Sanitární výrobky Záchody GEBERIT - Duofix Montážní prvek příčného nosníku pro nástěnnou armaturu na omítku 111.770.00.2

GEBERIT - Duofix Montážní prvek příčného nosníku pro nástěnnou armaturu na omítku 111.770.00.2

Dostupnost do 2 týdnů
Výrobce GEBERIT
EAN 4065305004562
1 676 Kč
Do obchodu
Svet-koupelny.cz

Popis produktu

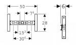
Instalační prvek Duofix příčného nosníku, pro nástěnnou armaturu na omítku Účel použití Pro kovové a dřevěné sloupkové stěny K montáži do čelních stěn vysokých na výšku místnosti K montáži do dělicích stěn vysokých na výšku místnosti Pro armatury na omítku Vlastnosti Staticky samonosný rám, chráněný proti korozi práškovým potahem Příčník pro připojení armatur výškově a hloubkově stavitelný Rozsah dodávky 2 nástěnky Rp 1/2" / R 1/2", vhodné pro MeplaFix 2 zvukově izolační podložky 2 zvukově izolační pouzdra Upevňovací materiál