Domů Nábytek Koupelna Vodovodní baterie HANSGROHE - Pulsify S Set sprchové hlavice, tyče a hadice, EcoSmart+, chrom 24373000

HANSGROHE - Pulsify S Set sprchové hlavice, tyče a hadice, EcoSmart+, chrom 24373000

Dostupnost více než měsíc
Výrobce HANSGROHE
6 069 Kč
Do obchodu
Svet-koupelny.cz

Popis produktu

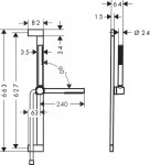
Sprchová souprava Pulsify S 100 EcoSmart+ obsahuje: ruční sprchu barva chrom průměr 24 mm 1 proud - PowderRain kulatý tvar průtok 5,4 l/min (při tlaku 3 bar) EcoSmart+ snadná údržba QuickClean sprchovou tyč délka tyče 663 mm instalace vrtáním, rozteč uchycení 627 mm s posuvným kovovým držákem ruční sprchy držák ruční sprchy lze instalovat na levou i pravou stranu sprchovou hadici Isiflex s kónickou matkou na obou stranách s otočnou koncovkou - zabraňuje zamotání hadice délka 1600 mm