Domů Nábytek Koupelna Koupelnové doplňky HANSGROHE - Vivenis Umyvadlová baterie, EcoSmart, CoolStart, chrom 75015000

HANSGROHE - Vivenis Umyvadlová baterie, EcoSmart, CoolStart, chrom 75015000

Dostupnost do 2 týdnů
Výrobce HANSGROHE
EAN 4059625555033
3 653 Kč
Do obchodu
Svet-koupelny.cz

Popis produktu

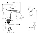
Páková umyvadlová baterie 80 CoolStart, bez odtokové soupravy barva: chrom pákové ovládání CoolStart - úspora energie, studená voda v základní poloze rukojeti druh proudu - WaterfallStream AirPower - obohacení vody o množství vzduchu EcoSmart - úspora vody a energie maximální průtok při 3 barech: 5 l/min výška baterie: 139 mm délka raménka: 133 mm komfortní zóna: 80 mm keramická kartuše vhodné pro průtokové ohřívače vody bez výpusti typ připojení: G 3⁄8 hadicové připojení připojovací rozměr: DN15