Domů Nábytek Koupelna Sanitární výrobky MEXEN/S - Umyvadlový sifon s výpustí click-clack bez přepadu, růžové zlato 7991050-60

MEXEN/S - Umyvadlový sifon s výpustí click-clack bez přepadu, růžové zlato 7991050-60

Dostupnost do 2 týdnů
Výrobce MEXEN/S
EAN 5907709135352
1 410 Kč
Do obchodu
Svet-koupelny.cz

Popis produktu

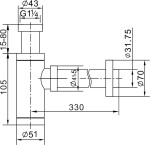
Technická data: Typ sifonu: Umyvadlo Velikost: Standardní Barva: Rose Gold Materiál: mosaz Typ zástrčky: Umyvadlo Barva: Rose Gold Materiál: mosaz Průměr závitu: 40 mm Rozměry: 95 x 65 x 65 mm Pro umyvadla: Bez přepadu Odolné vůči vysokým teplotám a poškrábání