Domů Stavebniny Železářství Kování a zámky Nábytkové kování Feba Neznačkující kolo 100 mm,otočné s brzdou,šedá supratech 2075

Feba Neznačkující kolo 100 mm,otočné s brzdou,šedá supratech 2075

Dostupnost skladem
Výrobce FEBA
457 Kč
Do obchodu
Feba-Eshop.cz

Popis produktu

 

 

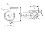
Technické údaje                                Průměr kolečka 100 mm Šířka běhounu 35 mm Velikost plotny 105 x 85 mm Rozteč děr 80/77 x 60 mm Průměr děr 9 mm Vyosení 41 mm Přesah kolečka 246 mm Stavební výška 128 mm Teplota - 20 / + 60 °C Standard EN 12532 Hmotnost 0,97 kg Poloměr otáčení 123 mm Tvrdost běhounu Shore A 65 Dynamická nosnost 40 kg Statická nosnost 80 kg

Parametry

nosnost 125 kg
průměr 100 mm
uchycení s plotýnkou