Domů Nábytek Koupelna Koupelnové doplňky SAPHO - DENBO zapuštěná police do obkladu, 810x270, nerez, gun metal 1301-82B

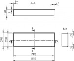
SAPHO - DENBO zapuštěná police do obkladu, 810x270, nerez, gun metal 1301-82B

Dostupnost do 3 dnů
Výrobce SAPHO
EAN 8590729002222
4 463 Kč
Do obchodu
Svet-koupelny.cz

Popis produktu

PVD povrchová úprava Technologie nanášení tenkých vrstev napařováním ve vakuové komoře. Nanášený materiál se spojuje s podkladem na molekulární bázi. Díky tomu se povrch stane tvrdým, odolným korozi, kyselinám, otěru a vysokým teplotám. Tato technologie je navíc šetrná k životnímu prostředí.