Domů Stavebniny Železářství Kování a zámky Nábytkové kování Strong StrongHinges S3 závěs klip vložený, bez pružiny (push), 155°, excentr, vrut (350984)

Strong StrongHinges S3 závěs klip vložený, bez pružiny (push), 155°, excentr, vrut (350984)

Dostupnost skladem
Výrobce Strong
87 Kč
Do obchodu
Vseprotruhlare.cz

Popis produktu

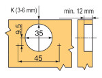
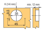
Závěs vložený klip bez pružiny pro bezúchytkové otevírání Tip ON s nulovým přesahem a s excentrem Strong Plus- vysoká kvalita a dlouhá životnost- zcela inovovaný design- upevnění do dvířka na vrut- upevnění do korpusu na podložku Clip- úhel otevření 155°Podložka závěsu není součástí a je nutno ji doobjednat zvlášť viz související produkty- bez podložky není možno závěs připevnit ke korpusu skříňky

Parametry

upevnění vrut
typ Tip On
Úhel otevření 155°