Domů Stavebniny Železářství Kování a zámky Nábytkové kování Tente Hliníkové kolečko s černou gumovou obručí 100 mm, otočné s brzdou 1737

Tente Hliníkové kolečko s černou gumovou obručí 100 mm, otočné s brzdou 1737

Dostupnost skladem
Výrobce Tente
912 Kč
Do obchodu
Feba-Eshop.cz

Popis produktu

Valivý odpor

Hlučnost pohybu

Opotřebení

Ochrana proti korozi



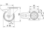
Technické údaje   Průměr kolečka 100 mm Šířka běhounu 40 mm Velikost plotny 105 x 85 mm Rozteč děr 80/77 x 60 mm Průměr děr 9 mm Vyosení 41 mm Přesah kolečka 246 mm Stavební výška 128 mm Teplota - 20 / + 85 °C Standard EN 12532 Hmotnost 1.24 kg Poloměr otáčení 123 mm Tvrdost běhounu Shore A 67 Dynamická nosnost 200 kg Statická nosnost 400 kg

Parametry

nosnost 200 kg
průměr 100 mm
uchycení s plotýnkou