Domů Stavebniny Železářství Kování a zámky Nábytkové kování Tente Kolečko pro Extra vysoké zatížení O 250 mm, otočné 1779

Tente Kolečko pro Extra vysoké zatížení O 250 mm, otočné 1779

Dostupnost skladem
Výrobce Tente
3 721 Kč
Do obchodu
Feba-Eshop.cz

Popis produktu

 

 

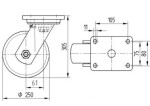
Technické údaje           Průměr kolečka 250 mm Šířka běhounu 50 mm Velikost plotny 135 x 110 mm Rozteč děr 105 x 80/75 mm Průměr děr 11 mm Vyosení 61 mm Přesah kolečka 372 mm Stavební výška 305 mm Teplota - 20 / + 60 °C Standard EN 12533 Hmotnost 9.458 kg Poloměr otáčení 186 mm Tvrdost běhounu Shore A 92 Dynamická nosnost 1200 kg Statická nosnost 2400 kg

Parametry

nosnost 1200 kg
průměr 250 mm
uchycení s plotýnkou