Domů Dětské zboží Vozítka Příslušenství pro vozítka Tente Přístrojové kolečko 50 mm,otočné 779

Tente Přístrojové kolečko 50 mm,otočné 779

Dostupnost skladem
Výrobce Tente
98 Kč
Do obchodu
Feba-Eshop.cz

Popis produktu

 

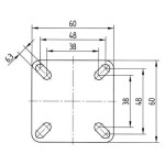
Technické údaje                                Průměr kolečka 50 mm Šířka běhounu 19 mm Velikost plotny 60 x 60 mm Rozteč děr 48/38 x 48/38 mm Průměr děr 6,3 mm Vyosení 24 mm Přesah kolečka 98 mm Stavební výška 69 mm Teplota - 20 / + 60 °C Standard EN 12530 Hmotnost 0.18 kg Poloměr otáčení 64 mm Tvrdost běhounu Shore A 87 Dynamická nosnost 40 kg Statická nosnost 80 kg

Parametry

nosnost 40 kg
průměr 50 mm
uchycení s plotýnkou
uložení kol kluzné