Domů Stavebniny Železářství Kování a zámky Nábytkové úchytky Tulip Narážecí úchytový profil Juvio L 3m hliník (494712)

Tulip Narážecí úchytový profil Juvio L 3m hliník (494712)

Dostupnost skladem
Výrobce Tulip
703 Kč
Do obchodu
Vseprotruhlare.cz

Popis produktu

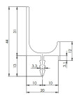
Nábytkové úchytky Tulip jsou šperkem každého nábytku, jejich vhodným výběrem dotváříte celkový dojem z interiéru nebo jednotlivých kusů nábytku. Proto volbě tvaru a materiálu věnujte dostatečnou pozornost. I přes poslední designové trendy systémů bez úchytek již dnes dochází k opouštění od tzv. push systémů, který mají v oblibě milovníci minimalismu, a dochází k renesanci úchytek jako takovýchKovová nábytková úchytkaRozměry úchytky viz obrázek číslo 2Barevné provedení: eloxovaný hliníkPoužití:- úchytky na nábytek- úchytky na kuchyňskou linku- úchytky na koupelnový nábytek- úchytky na šatní skříňDélka: 3000mm (použitelných vždy pouze 95%)Pozor!!! Z důvodu délky cena přepravy 400Kč

Parametry

Barva hliník